3-х полосная акустическая система “Triax 15”.

Параметры Monacor Triax 15:
Уровень звукового давления: 90 дБ/2,83 В/м
Номинальное сопротивление: 4 Ом
Установленные динамики:
НЧ: ∅306 мм, Monacor SPH380TC
СЧ: ∅190 мм, Celestion CF0617M
ВЧ: Monacor AMT85
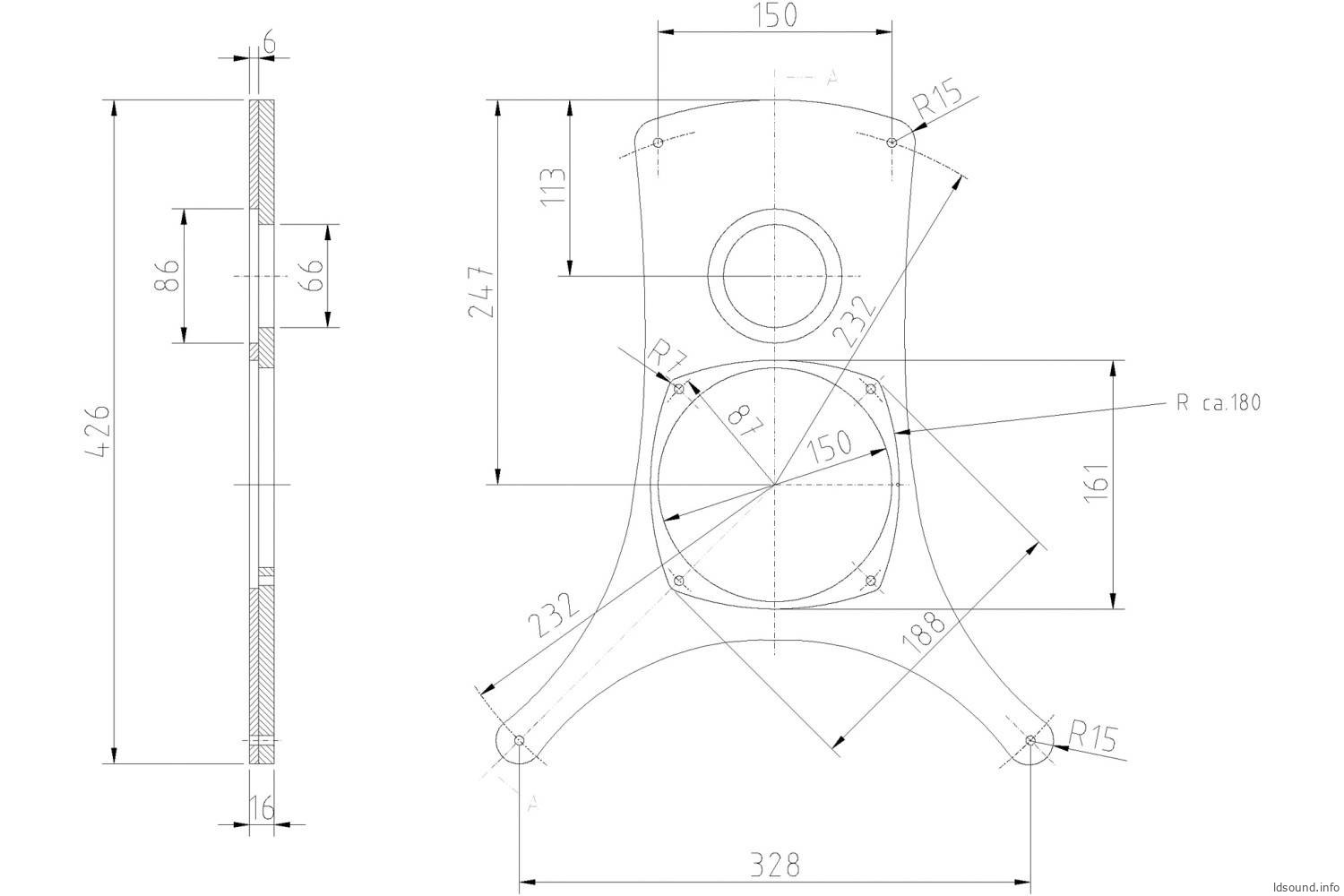
Внешние размеры (ВхШхГ): 664х484х393 мм
Прямоугольный корпус на наклонном основании, наклонённый назад, высота немного больше ширины и глубины. Сам корпус прост: шесть внешних стенок и две панели жёсткости, одна из которых поддерживает заднюю стенку. Перед ней расположена вторая, органичной формы панель для СЧ и ВЧ динамиков.
НЧ динамик SPH-380-TC сочетает в себе всё, что относится к «басу». Здесь всё указывает на низкие частоты и допустимую мощность, и то, и другое в достаточном количестве. Высушенный на воздухе цельнобумажный диффузор чрезвычайно жёсткий для максимальной точности звучания, а широкий и мягкий резиновый подвес легко выдерживает ход диффузора более 20 мм (конечно, линейный). Двойная звуковая катушка 2 x 4 Ом диаметром 75 мм допускает различные варианты подключения. Всё это держится на прочной литой алюминиевой корзине. В среднечастотном диапазоне воспроизведением музыки занимается Celestion CF0617M.
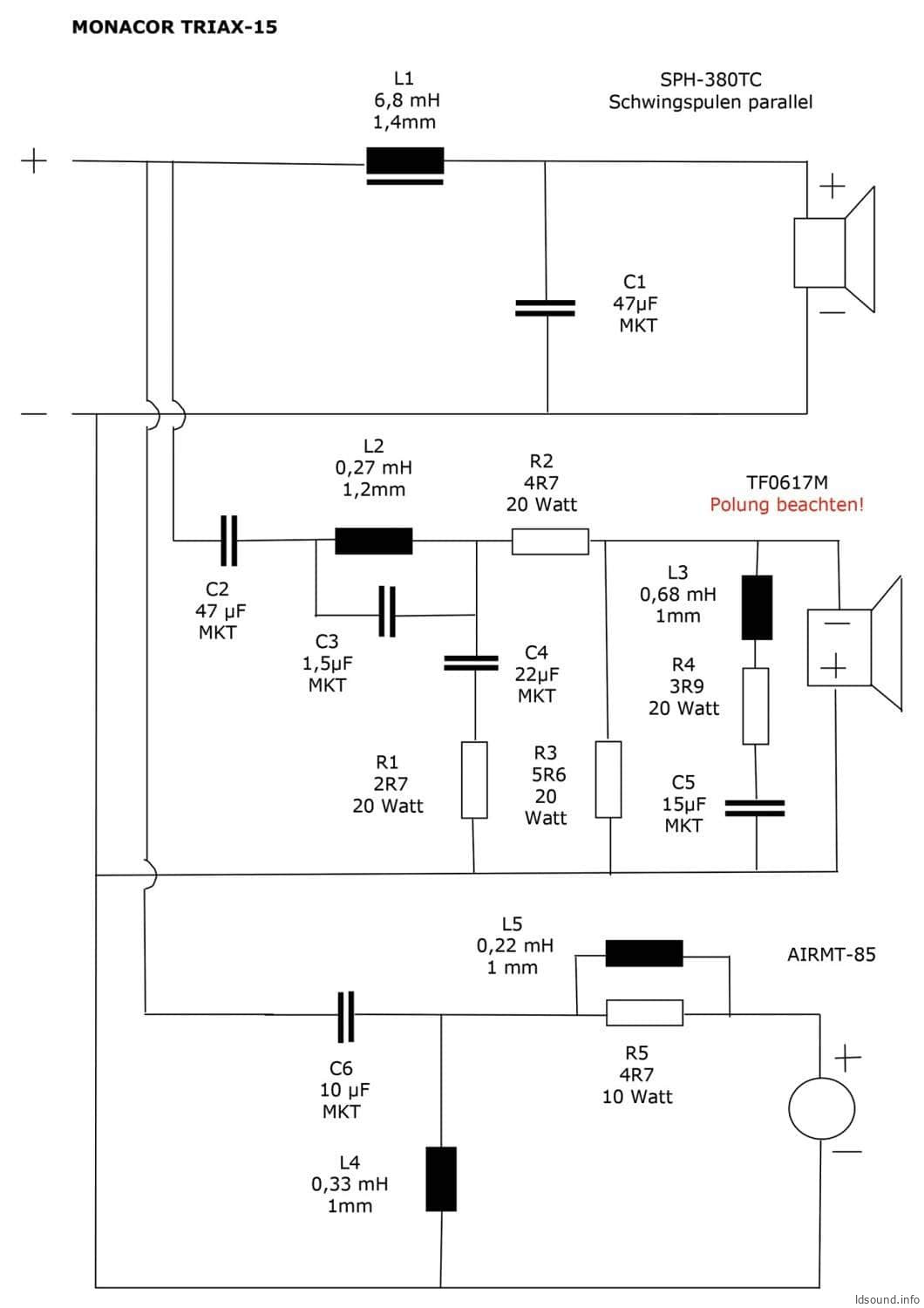
Кроссовер имеет нетривиальную конструкцию. Самая простая часть — это разводка НЧ-динамика: он оснащен фильтром второго порядка. СЧ-динамик оснащен фильтром верхних частот первого порядка и фильтром нижних частот второго порядка. Параллельно катушке фильтра нижних частот подключен небольшой конденсатор для компенсации резонанса диффузора. Делитель напряжения устанавливает громкость СЧ-динамика на тот же уровень, что и НЧ-динамика. Кроме того, поглощающая цепь подавляет любые пики в частотной характеристике. Фильтрация высокочастотного динамика, отделенного фильтром второго порядка, также относительно проста. Сравнительно необычная катушка, параллельная последовательному резистору, снижает уровень в сверхвысокочастотном диапазоне. Это обеспечивает довольно сбалансированную частотную характеристику, учитывая конструкцию и размер динамика, с частотами разделения чуть менее 500 и 3000 Гц.
Детали фильтра:
L1: 6,8 мГн катушка с сердечником 1,4 мм
L2: 0,27 мГн воздушная катушка 1,2 мм
L3: 0,68 мГн воздушная катушка 1 мм
L4: 0,33 мГн воздушная катушка 1 мм
L5: 0,22 мГн воздушная катушка, 1 мм
C1: 47 мкФ MKT
C2: 47 мкФ MKT
C3: 1,5 мкФ MKT
C4: 22 мкФ MKT
C5: 15 мкФ MKT
C6: 10 мкФ MKT
R1: 2,7 Ом MOX 20 Вт
R2: 4,7 Ом MOX 20 Вт
R3: 5,6 Ом MOX 20 Вт
R4: 3,9 Ом MOX 20 Вт
R5: 4,7 Ом MOX 10 Вт











Интересная АС однако..Хотелось бы послушать как она играет. И мне стало интересно, как НЧ динамик при движении диффузора не задевает магнитную систему СЧ динамика?, если смотреть на фото, то там можно заметить что для хода НЧ динамика места как будто и нету
А мне бы хотелось посмотреть на разработчиков данной АС… Эдакая доска над басовиком – это что-то!Есть в конструкции нечто от автомобильных АС, где пищалка над основным динамиком – обычное дело…