Акустическая система так же выпускалась под маркой Lo-D HS-1400W. Изготавливалась в Японии, в 1970 году. В системе используется бандпасс 4 порядка для воспроизведения самых низких частот, срез происходит без фильтра, благодаря самому оформлению. Старшая модель Hitachi DPK-120W, где использовалась подобная технология.
Характеристики HS-1400W:
4-х полосная АС
Диапазон частот: 35 – 20000 Гц
Уровень звукового давления: 98 дБ/Вт/0,5 м
Максимальная мощность: 20 Вт
Сопротивление: 8 Ом
Частоты раздела при 12 дБ/окт: 100 Гц, 1500 Гц и 5000 Гц
НЧ (внутренний): 200 мм, конусный
НЧ: 200 мм, конусный
СЧ: 120 мм, конусный
ВЧ: рупорный (H-54H)
Внешние размеры (ВхШхГ): 1157х438х370 мм
Масса одной АС: 28 кг
Описание HS-1400W
Корпус изготовлен из фанеры, внешне фанерован ореховым шпоном и покрыт маслом. Задняя стенка съемная. Внутренний объем разделен на две части. В верхней расположен бокс 3-х полосной АС с фильтром. В нижнем – четвертый громкоговоритель, который работает одной стороной на фазоинвертор, а второй на закрытый ящик, там где находится бокс 3-х полосной АС.

Схематически корпус имеет следующий вид:

Высокочастотный громкоговоритель HITACHI HS-1400W:

Среднечастотный громкоговоритель HITACHI HS-1400W:

Низкочастотный громкоговоритель HITACHI HS-1400W:
НЧ громкоговоритель, внутренний:
Клеммная колодка. Слева подключение 3-х полосной АС, справа – регуляторы уровня средних и высоких частот, по центру подключение полосового резонатора.

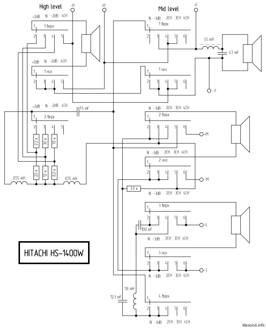
Электрический фильтр HS-1400W:



Выпускались, схожие внешне, акустические системы Lo-D HS-1400WA и Lo-D HS-1400WX, но исполнение уже 3-х полосное. Внешние размеры у всех 3 версий одинаковые. В модели WA все громкоговорители имеют кобальтовый магнит. В модели WX в верхнем блоке (2-х полосном) ещё есть фазоинвертор, это самая мощная АС из всех трёх и самая тяжелая. Громкоговорители в ней имеют ферритовые магниты.
HS-1400WA (слева) и HS-1400WX (справа):
Фото прислал Meshin











Добрый ночи!
На фото фильтров (на задней стенке АС) видно четыре катушки, одна из них на сердечнике (как трансформатор выглядит), а на схеме для полнодиапазонного подключения — от руки — катушек только три, и там САБ (ASW) подключен напрямую (по схеме). Кто умыкнул четвертую :)?
Полагаю, что при работе АС от пары средних клемм саб подключается не напрямую, а через похожую на трансформатор катушку и конденсатор (ниже катушки висит) в параллель ASW — то есть через ФНЧ втор-го порядка и при этом работают фильтры на НЧ-СЧ-ВЧ боксе (там смущают малые размеры самой крупной катушки при 3,9 мГн в схеме).
При независимом подключении полос работают только фильтры и ступенчатые аттенюаторы на задней стенке АС. Саб же отключен.
Так что-ли?
Интересно , что отдельный закрытый бокс с тремя динамиками заглушен весьма умеренно (для закрытой АС), судя по количеству поглотителя. Для справки: длина волны для частоты раздела 1500 Гц почти 22,6 см. Глушат, скорее всего, ВЧ остатки (выше 1500 Герцов, при первом порядке ФНЧ), которые могут “гулять” в этом закрытом объеме.
Усё, спать пора…
P.S. Поправьте, если всё напутал.
В приведенных в описании фото, сеньор Распони из Турина, имеется путаница, так к примеру на третьем фото детали фильтра смонтированы на стенке, отделяющей бокс мидбаса, сч и вч-динамика от объема байнпасса и там четко просматривается три катушки индуктивности и три биполярных электролитических конденсатора и несколько резисторов. Что полностью соответствует приведенной в описании схеме. Также если внимательно проследить куда идут и какой цветной маркировкой провода то видно, что черный и белый провод с клеммной колодки сначала идут на клеммник нч-динамика, который нагружен на байнпасс и только потом на фильтр мидбасса, сч и вч-динамика. Что говорит о том, что нч-динамик байнпасса подключен “на прямую” и электрически ничем и не срезан. И судя по всему используется естественный срез данного оформления. А на 14м фото изображён другой фильтр, предполагаю с этой же АС но другой модификации или по ошибке с другой. Так что сеньор Распони из Турина с нетерпением жду вашего обоснования данному явлению с применением научного подхода, с выдержками и цитатами с научных книг, а не так по простому как я описал суть дела.
Фото затерялось не к той АС, убрал. Теперь путаницы нет.
Приветствую синьора Vladi и других форумчан!
Лично у меня нет никаких научных оснований не согласиться с синьором Vladi в части различий в приведенных ранее фото фильтров. Всё Вами изложено верно.
Синьор Дмитрий ужЕ убрал (во избежание путаницы) фото внутреннего вида задней стенки с терминалами и переключателями, но у колонок-то они есть, что мы и видим на других фото.
Могу только предположить, что вид переключателей и резисторов нам мало что даст. Но сразу возникает вопрос о независимом подключении каждого из трёх (НЧ, СЧ и ВЧ) динамиков при помощи “независимых” зажимов.
В схеме нарисованной “от руки” (без претензий к человеку, который потратил своё время на отрисовку этой схемы), независимо подключить каждый динамик не получится. Гляньте на фото терминалов: там есть “интересные” положения у переключателей: у HIGH LEVEL — это 4CH, у MID. LEVEL — это 2CH, 3CH, 4CH. Может в этих положениях и кроется секрет фирмы?
Что касается качества сборки (был пост синьора Ивана), то меня она не сильно смущает. Есть толстая горизонтальная перегородка для саб-динамика, есть распорка между толстой задней стенкой и внутренним отсеком. Комбинация деревянных и стальных уголков — это скорее конструкторско-технологические нормы (традиции) тех 70-х лет. Применение винтов, шайб и гаек при креплении динамиков я считаю хорошим тоном. При сильном желании можно попытаться закрыть глаза на применение длинных винтов для крепления катушек индуктивности.
О звучании этих АС судить не могу за отсутствием оных, но широкая лицевая панель лишний раз “заставляет” нас добрым словом вспомнить трёх учёных мужей: Гюйгенса, Френеля и Паганеля — изобретателей дифракции и интерференции.
Обладатели этих АС могут пойти на безрассудный шаг, превратив их в двухполоску по схеме Александра Бокарёва. Верхнего закрытого объёма хватит с лихвой, его надо только заглушить звукопоглотителем. Нижний отсек, убрав САБ, закрыть и использовать его как мини-бар с безалкогольной (простите, сильно безалкогольной) выпивкой 🙂 . Вибрация стенок колонок обязательно будет передаваться стоящим внизу пузырькам, нежный звон которых, только усилит эмоциональное воздействие на слушателей.
Воспользоваться поиском, сеньор Распони из Турина, что лично вам мешает, что бы понять, что было несколько версий данных АС, вот первая на сколько понял, терминал там обычный без аттенюаторов и дополнительных входов http://rt22.ru/viewtopic.php?f=1&t=98191, вот одна из последующих версий, в ней уже все, упомянутые вами детали, есть http://sankyomusen.jugem.jp/?eid=254#gsc.tab=0. В вашем мозгу, сеньор Распони из Турина, протекают сильнейшие мыслительные процессы, они имеют на столько сложную форму, что вы порой не можете их контролировать и все это находит отображение в ваших сообщениях, которые признаюсь очень забавно читать, а порой даже увлекательно.
Здесь на фото все 4-х полоски.
Есть вариант 3-х полосной, скоро добавлю.
Может в таком случае есть смысл в тексте описания делать сноску какие фото и схемы фильтров, относятся к какой версии, что бы было более понятно при изучении пользователями материала? Сам пользуюсь данным ресурсом в познании разнообразия выпущенной аппаратуры и изложил свое видение скорее как пожелание пользователя нежели как замечание со стороны.
Да-да, слышал такой термин много раз в последнее время: саундбар. Гадал ещё, что это такое. А все оказывается просто , удобно и приятно. В какое хорошее время мы живем!
Сложно представить как все это звучит, но выглядит как-то уж не очень. Уже вторая акустическая система Хитачи с отдельной излучающей камерой. Качество сборки похоже на гаражное исполнение. Я еще в 80-е годы заприметил явное несоответствие между внешним видом большинства импортной техники и ее внутренним конструктивом. В плане звучания ничто не вызвало эмоциональное: “ах!”
Эти колонки созданы во времена открытия разных акустических кунштюков, с которыми их авторы ( и продаваны, конечно же) спешили поделиться с народом, заодно срубив деньжат, отсюда море разных решений, вокруг которых ореол тайны и завораживающих названий. На деле- середняк . И близко нет заявленных частоток или отдачи. Зато винтаж.
Друзья! Имею две пары Hitachi HS-1400W…Одна -из первого выпуска 1968г(еще без мультиампинга), вторая -1970г…Акустика фантастическая! Через мои уши прошло несколько десятков старых японских ас… И эти смело входят в десятку лучших,наряду с ровесниками PIONEER cs-A30,Coral Bx-53,Victor BST-53 и др…Именно “бумажный” звук с множеством оттенков и нюансов при прослушивании натуральных инструментов и вокала… Конечно, звук этих аппаратов сильно отличается от ас по тн “новым технологиям”-Technics SB-7a, Sony APM 22ES, Diatone DS-505…Которые по началу производят сильное впечатление ,но быстро надоедают…Hitachi HS-1400W можно слушать бесконечно и каждый раз ,включая их,удивляешься богатству и детальности их звучания!
PS/Непонятно,зачем они убрали 4-ю полосу, а затем перешли на феррит…Наверно,удешевление.
Поправка…Victor BST-95.
PS/Конечно,чтоб ас выдали свой потенциал,пришлось потрудиться-безжалостно удалить все электролиты и поставить пленку в фильтры,заменить разводку( родная из тонкого провода), установить приличные терминалы( родные-просто болтики)…Вот думаю насчет дополнительного демпфирования-заводское довольно тонкое..Но опытные люди говорили,что это надо делать с осторожностью,иначе может уйти эффект естественной реверберации и ас потеряют объем и воздух в звучании…
Yuri, I am having the crossovers / wiring upgraded in my HS-1400W speakers (4 way). I was thinking about adding more fill or dynamat on the interior of the compartments. Have you or anyone else had success with this?
Я не стал делать дополнительного демпфирования…По звуку в этом нет необходимости.Но можете попробовать-эксперимент все расставит на свои места!
схема к HITACHI HS-1400W с мультиампингом: https://ldsound.info/wp-content/uploads/2025/12/HITACHI-HS-1400-W.png
решил заменить штатный синтепон на акустический войлок
внутри
фильтр