Изготовитель: завод «Ореол», г. Винница, 1984.
Назначение: усилитель «Электроника УК-043-стерео» предназначен для усиления музыкальных и речевых программ при работе с магнитофонов, тюнеров, электропроигрывающих устройств и другой бытовой аппаратуры. В комплект к данному усилителю входил эквалайзер “Электроника Э-043 стерео Hi-Fi”.
Технические характеристики Электроника УК-043:
Диапазон воспроизводимых частот: 20 – 25000 Гц
Коэффициент нелинейных искажений: 0,3%
Отношение сигнал/шум при выходной мощности 20 Вт: 75 дБ
Переходное затухание между каналами не менее: 45 дБ
Номинальная выходная мощность на канал: 20 Вт/8 Ом
Потребляемая мощность: 75 Вт
Габариты усилителя (ШхВхГ): 320x60x320 мм

Описание Электроника УК-043
В усилителе имеется квазисенсорный коммутатор входов со светодиодной индикацией подключённого входа и выходные гнёзда для подключения сигналов с внешнего усилителя, с предварительного усилителя и с эквалайзера. Предусмотрена электронная защита усилителя от перегрузок, защита АС от постоянного напряжения на выходе усилителя. Светодиодные индикаторы перегрузки.
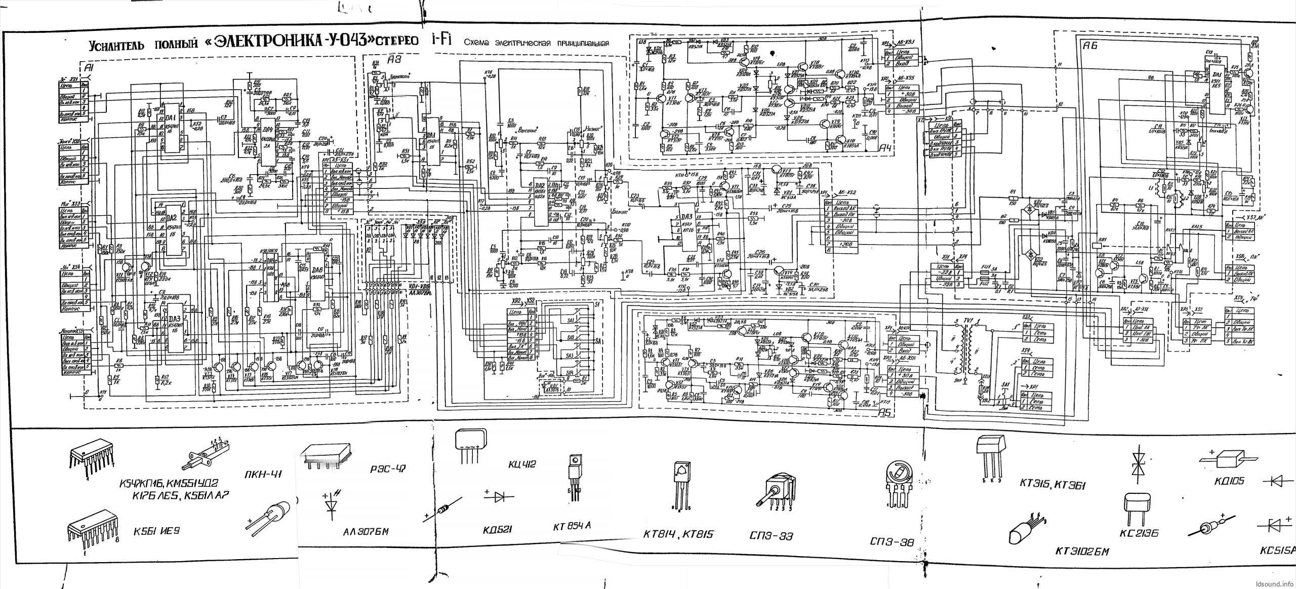
Электрическая схема формата [.djvu] в архиве.





Кто что скажет про данный аппарат ?
Очень похож на конструктор Электроника-20 – https://ldsound.info/amplifier-electronics-20-stereo/
У меня был такой конструктор. Корпус хороший, радиаторы. Трансформатор хороший. Остальное выбросил сразу, читал что проблемный он (выход на КТ805 так же).
Ок ! Спасибо за ответ ! А с 4 омной АС петь будет ? Как звучание у него в целом ? Предлагают просто такой не за дорого .
Будет хорошо петь (если поменять маленькие конденсаторы)
Я не слушал не тот не тот. Конструктор был, не полностью доделанный, сразу разобрал под свои нужды.
хоть раз сгорят КТ805 — поставить вместо них кт808 или кт819 и больше сгорать не будут.(схему изменять не нужно)
Нормальный аппарат служит верой и правдой уже 38 лет за это время было только 2 мелких ремонта
Рома! приветствую! интересно знать как чувствуют себя в вашем усилителе резисторы R1\R2 и особенно R3 в блоке питания. через первые два идёт питание для предусилителя и темброблока, здесь напряжение с +\-30в гасится на них до +\-20в , а на третьем резисторе понижается до +15в для питания схемы Защиты АС. В моём усилителе R3 слишком греется.
Добрый день. Скажите, у меня колонки 25 ватт, 4 Ом. Какие на какие нужно поменять конденсаторы? Он звучит, но не хочется, чтобы что нибудь сгорело.
перефразируйте– непонятно что Вы хотели.
Видимо нужно взять АС на 8 Ом, любые какие понравятся.
В предыдущем комментарии Вы сказали, что для того, чтобы с этим усилителем использовать 4-х Ом АС, нужно поменять маленькие конденсаторы, вот я и спрашиваю, КАКИЕ.
Менять конденсаторы нужно из за того, что они высохли и потеряли свою емкость. А в конструкции ничего менять не нужно– не сгорит и так если через 20 минут рука терпит температуру на теплоотводах оконечника.Если перегревается-возможно несколько вариантов,таких как сильно завышен ток покоя,маленькая мощность усилителя и возможны другие неисправности. Максимальная громкость подаваемая на колонки- НЧ динамик сдвигается на 0,5-1 см (для всех советских колонок,—не путать с китайскими гундосящими сабами)
Попал мне в руки такой усилитель, но с выпаянными конденсаторами К50-24, может кто подсказать их номинал для замены на новые?
чем отличается 043 от 003?
Думаю разницы нет.
По заявленным характеристикам вроде похожи. А в схемах отличий очень много. И схемы и детали. В 043 есть индикация перегрузки. У меня 003. Сделан в Ереване в 84г. И по размерам он поменьше 300х260х66. 4,9кг. Если кому надо схему, инструкцию, фото усилка. С радостью помогу.
Нужна схема для усилителя “Электроника УК-003 Стерео”. Есть в сети одна схема, но трудно различимая, смазанная. Если можно, поделитесь Вашей схемой. У меня оконечники переделаны. На КТ825, КТ827. Очень мощные, не хватает мощности трансформатора.
Пользуйтесь на здоровье. Также есть печатные платы.
Ещё
Павел! Спасибо Вам огроменное за схемы! Вот, есть же добрые люди!
Уж, не сочтите за наглость, но, если есть и рисунки печатных плат, то, может быть, и печатные платы разместите здесь? Заранее спасибо! По этому усилителю “Электроника УК-003″ крайне мало информации в интернете. Не найти схем. На моём только оконечники другие, но остальные блоки родные и все работают.
Вот фото моих оконечников. Правда, не я их изготавливал. Мне этот усилитель достался уже в таком виде. Я только его ремонтировал.
Да, без проблем. Рад если пригодится.
А на у-043 схемы у вас в хорошем качестве случяйно нет, если есть скиньте пожалуйста если есть возможность
На 043 нет.
Добрый вечер, есть данный усилитель, живёт у меня в мастерской для проверки магнитофонов приставок или проигрывателей виниловых дисков.
Паспорт и схемы в наличии, в бумажном варианте, качество соответствующее, отсканирую, если ентересует, когда доберусь до сканера…
11
Оччень нужная вещь.! В инете нет ничего подобного. Для сайта очень надо..
Добрый день, отправил на почту, модератору, на прямую разместить не получиться, каждый файл весит минимум 3 мб, здесь не больше 1.
Спасибо, все добавлю!
Вам спасибо!!!
здравствуйте. меня зовут володя.
я ищу схему усилителя электроника 043.
не могли бы вы поделиться качественным фото или скрином этой схемы.
заранее благодарен. vova.vanelik@mail.ru
Дмитрий если есть возможность схему в хорошем качестве и схему печатных плат скиньте на почту (kulackoff.mihail@yandex.ru)
Дмитрийёбург! приветствую! обращаюсь к тебе с небольшой просьбой по этому УСю. Дело в том что при небольшом ремонте обнаружилось,что на выходе оконечников, кроме своих 50мв,ещё и присутствует потенциал 0,97в ,который идёт со стороны схемы защиты. Будь добр,посмотри как обстоит дело с этим обстоятельством в твоём аппарате. А то я пока побаиваюсь подключать штекера к оконечникам из за этого,вдруг что то да и произойдёт не предвиденное. С уважением Владимир.Тюмень. ( v.angarskiy@yandex.ru )
И
Спасибо огромное, Павел! Очень выручили!
Форумчанам добрый день!!!
Спрошу здесь, так как по сути они одинаковые, есть у кого-нибудь схема индикатора “Электроники 20”, вот с такими наворотами….
22.
Здесь не смотрели инструкцию https://ldsound.info/amplifier-electronics-20-stereo/?
Доброе утро, смотрел, там даже намёка на микросхемы нет.
есть такая схема.
был у меня такой в 80 – 90 тых звучал хорошо , но потом сдох один канал им работала только одна колонка , потом продал его и купил Вега 120