Используя современные элементы Холла, можно весьма просто измерять значительную магнитную индукцию постоянных магнитных полей. В предлагаемой статье элемент Холла ТНS103А фирмы Toshiba, который, согласно справочным данным, имеет линейную характеристику (линейную зависимость выходного напряжения элемента от магнитной индукции) вплоть до значений магнитной индукции 1,5-1,6 Тл. Для автономности измерений применены два гальванических элемента по 1,5 В каждый. Введена регулировка нуля при отсутствии заметного магнитного поля, что помогает упростить измерения слабых магнитных полей и уменьшить погрешность этих измерений.
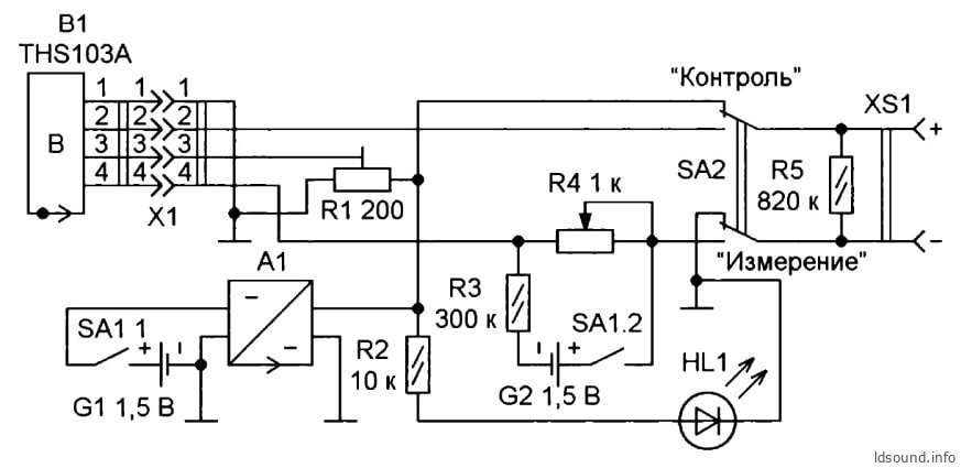
Схема приставки крайне проста (рис. 1). Для включения и контроля напряжения питания, а также переключения приставки в положения “Контроль” и “Измерение” используются сдвоенные выключатель и переключатель. Выключателем ZA1 включают и выключают приставку. Переключатель SA2 используется для контроля напряжения питания приставки и для измерения магнитной индукции.
Рис. 1. Схема приставки.
При включении приставки напряжение 1,5 В подаётся на вход преобразователя А1, повышающего напряжение до 5 В. Этот DC-DC-преобразователь работает при входном напряжении 0,9-5 В, т.е. практически до полной разрядки источника питания. Например, использованный преобразователь имел при входном напряжении 1,5 В на нагрузке 100 Ом выходное напряжение, равное 4,87 В, которое при снижении напряжения питания до 1,1 В снижалось до 4,85 В, т.е. всего лишь на 0,4 %.
Выход преобразователя нагружен на два сопротивления. Первое — подстроечный резистор R1. Поскольку он используется при первоначальной точной регулировке, то применён десятиоборотный подстроечный резистор. Второе сопротивление — входное сопротивление элемента Холла (выводы 1-3). Выходное напряжение с элемента Холла (выводы 2-4) в положении переключателя “Измерение” подаётся на вход цифрового мультиметра. Выводы элемента ТНS103А располагаются в таком же порядке, как и у датчика ТНS144.
Для налаживания приставки необходимо иметь источник постоянного магнитного поля с известной индукцией, желательно не менее 0,2 Тл. Здесь подойдёт, например, цилиндрический неодимовый магнит с точно измеренной на торце магнитной индукцией. Регулировкой подстроечного резистора R1, изменяя входное напряжение элемента Холла (его выходное напряжение прямо пропорционально входному), добиваются чтобы выходное напряжение в вольтах, фиксируемое цифровым мультиметром, равнялось 6ы известной магнитной индукции в теслах. В нашем конкретном случае при полном напряжении на подстроечном резисторе 4,87 В это достигалось при входном напряжении на элементе Холла, равном 4,14 В. При такой регулировке будет действительным соотношение
Uвых (В) = k • В (Тл), где
Uвых (В) – напряжение в вольтах, фиксируемое мультиметром;
В (Тл) – магнитная индукция в теслах;
k – коэффициент пропорциональности, равный 1 В/Тл.
Таким образом, измеренное мультиметром напряжение в вольтах будет численно равно магнитной индукции в теслах или измеренное напряжение в милливольтах будет соответственно равно магнитной индукции в миллитеслах. При отсутствии магнитного поля на выходных контактах элемента Холла имеется небольшое, так называемое остаточное напряжение, обусловленное обычно неполной симметричностью выходных (холловских) контактов на плоскости элемента. В моём случае это напряжение было равно 1,2 мВ – это как 6ы соответствует магнитной индукции 1,2 мТл. Поэтому при измерении слабых магнитных полей со значениями магнитной индукции, меньшими, чем 40 мТл, для уменьшения погрешности измерения нужно проверять с целью компенсации остаточного напряжения установку нуля при отсутствии заметного магнитного поля.
Регулировка нуля производится переменным резистором R4 в реостатном включении. В моём случае при остаточном напряжении 1,2 мВ регулировкой можно было изменять показания мультиметра при отсутствии магнитного поля в пределах от -1,1 мВ до +1,1 мВ. В случае использования конкретного экземпляра ТНS103А могут потребоваться подборка резистора R3 и изменение направления тока в нём. Поскольку ток регулировки нуля очень мал, источник напряжения в этой цепи может быть маломощным, например “пуговичная” батарея АО13 или 1Л44. В цепи питания элемента Холла нужно использовать более мощные источники тока, например гальванические элементы типоразмера АА или ААА. В заключение можно ещё отметить, что магнитная индукция поля Земли имеет значение, меньшее, чем 0,1 мТл, так что при измерениях учитывать её нет необходимости.
Рис. 2. Сравнение измеренной индукции предлагаемой приставкой и тесламетром.
На рис. 2 приведено экспериментальное сравнение измеренных с помощью предлагаемой приставки холловского напряжения и магнитной индукции, определённой магнитометром (тесламетром) $3200. Из графика видно, что численно измеренные значения напряжения в вольтах и магнитной индукции в теслах практически совпадают. Это сравнение проведено до значения магнитной индукции 0,85 Тл. К сожалению, автор не располагал источником магнитного поля с большей, чем это значение, индукцией. Однако основываясь на справочных данных датчика Холла ТНS103А, можно утверждать, что это совпадение будет действительно и до значений магнитной индукции 1,5-1,6 Тл.
Приставка собрана в алюминиевом корпусе (рис. 3) датчик ТН103А расположен на полоске из фольгированного стеклотекстолита толщиной 1 мм. Толщина полоски с приклеенным датчиком не превышает 2,3 мм, так что индукцию поля можно измерять в довольно узких пространствах. Сама полоска длиной приблизительно три сантиметра вклеена с помощью эпоксидной смолы в пустой корпус от авторучки с внешним диаметром 8,5 мм. С приставкой датчик соединяется четырёхжильным кабелем диаметром 4,5 мм и четырёхконтактным коаксиальным разъёмом.

Рис. 3. Внешний вид приставки.
По материалам: журнал “Радио” №6, 2025.


