Данный модуль предназначен для устранения электромагнитных помех в цепях питания постоянного тока. Он может использоваться в источниках питания с импульсным преобразованием, а также в автомобильной и мотоциклетной электронике. После прохождения фильтрации уровень помех существенно снижается, обеспечивая стабильную и чистую работу оборудования. Максимальное подаваемое напряжение – 50 В, но его можно увеличить, путем замены электролитических конденсаторов на большее напряжение.
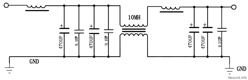
Схема фильтрации состоит из трёх уровней.
- LC-фильтр уровня А.
- синфазный EMI-фильтр.
- двухступенчатый LC-фильтр.
LC-фильтр относится к пассивным фильтрам и представляет собой традиционное решение для компенсации гармоник в цепях питания постоянного тока. Он выполнен на основе индуктивностей и конденсаторов, и предназначен для подавления одной или нескольких гармоник источника питания. Очистка и синфазная фильтрация питания постоянного тока позволяют эффективно подавлять быстрые переходные импульсные помехи с частотой повторения до нескольких килогерц, которые могут возникать в отдельных узлах нагрузки.
Размеры печатной платы зависит от нагрузки:
- 2 А: 76х54х25 мм
- 4 А: 76х54х30 мм
- 10 А: 76х54х30 мм
- 20 А 76х54х30 мм
Схема:
Особенности LC фильтра:
- Фильтр нижних частот на базе LC-схемы обеспечивает надежное подавление электромагнитных помех (EMI), улучшая качество звука и стабильность работы оборудования, особенно в автомобильных системах.
- Трехуровневая система фильтрации, включающая LC-каскады и синфазный фильтр, эффективно снижает быстрые переходные импульсы и шумы в диапазоне до нескольких килогерц, гарантируя чистое и стабильное питание.
- Подходит для фильтрации помех в источниках питания постоянного тока, включая блоки питания с импульсным режимом, автомобильную и мотоциклетную электронику, а также другие устройства, чувствительные к электромагнитным помехам.
- Доступны варианты исполнения на напряжение до 50 В (с возможностью установки конденсаторов на более высокие значения) и на токи от 2 А до 20 А. Это позволяет подобрать фильтр под конкретные требования вашей системы.
- Фильтр легко устанавливается без использования инструментов и готов к работе за считанные секунды. Высококачественные EMC-материалы обеспечивают отличную проводимость и долговечность, делая устройство надежным решением для долгосрочного использования.




Цены зависят от выбранного тока: базовые версии начинаются от 1 доллара, а самая мощная плата на 20 А стоит около 4 долларов. Также выпускается вариант с экранировкой, который обойдётся примерно в два раза дороже стандартной платы.






Вполне рабочий фильтр в отличии от этого товара из Китая: “HiFi аудио кабель заземления шумоизолятор динамик CD усилитель корпус GND черная дыра устранение статического электричества очиститель питания” (924 р.) Более 20 отзывов. Рейтинг 4,6. Непонятен принцип действия устройства и что внутри. Фейк?