Эта трехполосная акустическая система обладала очень широким частотным диапазоном. Модель 4700 предназначалась для европейского рынка и выпускалась с 1972 по 1974.
Характеристики Beovox 4700:
Диапазон частот: 50 – 15000 Гц
Музыкальная мощность: 100 Вт
Сопротивление: 4 Ом
Гармоническое искажение: < 1 %
Установленные громкоговорители:
НЧ: 2 х 190 мм (бумажный конус на ППУ подвесе)
СЧ: 1 х 130 мм (бумажный конус на тканевом подвесе)
ВЧ: 1х 25 мм (купольный? тканевый)
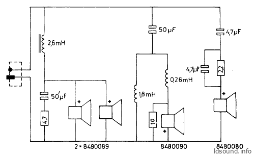
Частоты раздела фильтров: 500 Гц и 4000 Гц
Размеры (ВхШхГ): 580х290х290 мм
Масса одной АС: 13 кг
Доступна в двух вариантах отделки шпоном. Чистый объем 30 литров.
НЧ динамик:
СЧ динамик:
Схема фильтра:








