Изготовитель: МЗРИП, г. Муром. Акустика СССР.
Технические характеристики 15 АС-220:
2-х полосная АС с фазоинвертором
Диапазон частот: 63 – 18000 Гц
Чувствительность: 84 дБ
Характеристическая чувствительность: 0,26 Па/√Вт
Неравномерность АЧХ в диапазоне частот 100 — 8000 Гц: ±5 дБ
Сопротивление: 4 Ом
Рекомендуемая мощность усилителя: 15 — 25 Вт
Номинальная мощность: 15 Вт
Используемые динамики:
Частота раздела фильтра: 5000 Гц
Размеры (ВхШхГ): 350х220х185 мм
Вес: 6 кг
Описание 15 АС-220
Корпус АС прямоугольной формы изготовлен из фанеры. Внешне покрыт шпоном и окрашен несколькими слоями лака. Лицевая панель корпуса закрыта пластмассовой накладкой. Накладка является одновременно обрамлением для НЧ и ВЧ головок громкоговорителей а так же декоративным элементом. Внутренний объем корпуса заполнен звукопоглощающим материалом, обеспечивающим подавление внутренних резонансов корпуса, что yлyчшает АЧХ звукового давления и качество звучания АС.
Головка НЧ расположена в нижней части АС, a головка ВЧ – в левом верхнем углу лицевом панели. При этом головка ВЧ эллиптической формы установлена большой осью симметрии в вертикальной плоскости, что улучшает характеристику направленности АС в горизонтальной плоскости. Головки громкоговорителя спереди защищены перфорированными металлическими сетками. Кроме того, на лицевой панели расположены в правом верхнем углу шильдик c названием АС и изображением АЧХ звукового давления АС. В нижней часnи лицевой панели расположен выход фазоинвертора.

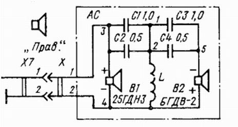
Внутри корпуса установлена плата электрических фильтров, обеспечивающих электрическое разделение НЧ и ВЧ полос АС. B конструкции фильтров применены конденсаторы типа МБМ и катушки индуктивности на воздушных сердечников.
На задней стенке корпуса расположен шильдик c основными техническим характеристиками и разъем для подключения соединительного шнура. Данная АС входила в комплект радиолы “Кантата-205-стерео”.











В 1988 году вот такой фильтр ставили